本文结合四个深化设计项目的实施案例进行分析,简要介绍预制建筑项目深化设计的特点和要求。案例涉及到公共建筑外墙挂板系统、体育建筑预制看台系统、居住建筑预制构件系统。
清水混凝土外墙挂板建筑方案优化设计研究
软通动力研发楼
本项目位于北京市海淀区中关村软件园,建筑高度为20.7m,地上5层、地下2层,首层层高4.2m,二至五层层高3.9m。建筑平面为矩形布置,轴网间距8.4m,主体结构为钢筋混凝土框架剪力墙,外墙采用清水混凝土挂板系统。(图1,图2)

▲ 图1-2 软通动力研发楼外景和细部
建筑外墙方案比较
此建筑外墙原设计方案拟采用石材幕墙系统,经过北京预制建筑工程研究院与业主及设计单位的协调,咨询方提出可采用预制混凝土外墙挂板系统方案,饰面为清水混凝土效果。通过对两种幕墙方案优缺点比较(表1),综合考虑外墙立面效果、墙身做法和性能、工程造价等因素,业主和设计单位一致认同咨询方的预制外墙方案。
外墙方案优缺点比较

外墙挂板分块方案优化
立面分格方案的优化有利于提高预制建筑项目的技术经济性和实施效果。依据此项目的立面造型特点,我们对立面分格方案进行了对比研究。方案1是以一个窗口为预制单元的分格方案(图3),方案2是以两个窗口为预制单元的分格方案(图4)。

▲ 图3 外墙挂板分块方案1

▲ 图4 外墙挂板分块方案2
从立面效果、原方案设计改动量、结构埋件预留数量、生产效率和安装效率等五个方面,对两个方案进行比较(表2),可知方案2优于方案1。最终的优化方案得到了业主和设计方的一致认同。
立面分格方案比较

外墙挂板建筑构造设计
本项目建筑构造设计主要包括防水、防火、保温等,由于混凝土板厚度为230mm,外挂板自身的防水、防火性能优越,关键是做好接缝防水构造、节点防火和层间防火构造,具体做法如下:
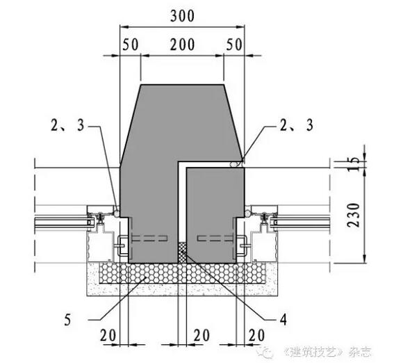
(1)所有接缝防水构造采用材料防水和构造防水相结合的方式,外挂板水平缝防水构造是在外挂板上下口预留启口,外挂板安装完成后外侧填塞背衬材料,并用建筑密封胶封闭(图5a)。

▲ 图5(a)水平缝构造
(2)挂板竖缝为“L”形接缝,具有构造防水特点,外层用填塞背衬材料并嵌固建筑密封胶封闭(图5b)。

▲ 图5 (b)竖向缝构造
(3)窗口周边做防水企口,窗框与挂板接缝用密封胶封闭,上口做滴水槽,下口做坡水设计(图5c)。

▲ 图5(c)窗口构造
(4)外挂板与现浇结构之间的安装拼缝用岩棉保温板填塞,女儿墙处外挂板与现浇墙之间的安装间隙采用金属铝扣板压顶封闭,可有效解决朝天缝的防水问题(图5d)。

▲ 1 外挂板;2 建筑密封胶;3 背衬材料;4 后填岩棉保温;5 自熄型挤塑聚苯保温;6 滴水槽;7 窗户;8 现浇女儿墙; 9 屋面防水上卷;10 金属压顶
图5(d)女儿墙构造
(5)外挂板水平接缝处于结构梁中间,所以水平接缝防火重点是做好层间防火,在外挂板与主体结构之间预留的50mm的施工安装缝内填塞岩棉并用弹性砂浆封闭接缝外口,这样兼顾保温和防火构造。
(6)主体结构梁上下口均有挂板安装节点,这是防火的重点,我们采用半湿法喷涂岩棉的方式将安装节点封闭。
(7)此项目外围护采用内保温构造做法,符合项目自身设计要求,所有内保温采用50mm厚自熄型挤塑聚苯板,外挂板与主体结构的间隙采用岩棉保温填缝形成完整的保温体系。
外墙挂板连接构造设计
混凝土外挂板的自重较大,在考虑地震设计工况的情况下,每块外挂板设两个牛腿支撑点,外挂板竖向荷载可通过结构挑出钢牛腿将自重传递给主体结构。水平荷载主要考虑外挂板自身重心偏移造成的水平力、水平地震效应和风荷载效应值的组合,每块外挂板设置了4个用于水平限位的拉压节点,用以承受平面外的荷载作用。当外挂板承受外力时节点能够自由滑动,较好地满足了挂板在温度或地震作用下产生的变位要求。经过设计优化和论证,得到外挂板节点连接构造设计(图6)。

▲ 1 钢牛腿;2 挂板支点;3 结构埋件a;4 连接角钢;5 预埋螺栓;6 结构埋件b;7 主体结构;8 外挂板
图6 连接构造详图
由于该项目建筑平面尺寸较大墙板的水平向和竖向均采用企口接缝。外挂板的安装顺序非常关键,设计阶段应考虑挂板安装顺序,竖向要求从低到高逐层安装,水平向应从四个角点向中间安装,经过反复研究和优化,制订平面安装动线(图7)。

▲ 图7平面安装动线
中建技术中心试验楼改扩建工程
本项目位于北京市顺义区林河开发区,建筑高度为35.3m,地上7层、地下1层,首层层高5.1m,二层层高3.9m,三层层高5.7m,四至七层层高4.5m。建筑平面为矩形布置,轴网间距10m,主体结构为现浇钢筋混凝土框架-剪力墙结构,外墙采用预制清水混凝土挂板系统(图8)。

▲ 图8中建技术中心试验楼
建筑外墙方案比对
该项目建筑方案的外饰面效果初期考虑石材和清水混凝土两种风格,经过调研和方案比较,业主最终确认采用清水混凝土为实施方案。
外墙挂板分块方案优化
建筑师确定的标准挂板尺寸为3 . 7m长、1.6m高。深化设计时发现立面分格线与主体结构的轴线、标高没有对应关系,这就使预制外墙挂板与主体结构的连接比较复杂,龙骨体系的布置与主体结构发生冲突。由于挂板型号与节点类型很多,给生产和安装带来诸多不便,造价较高。为此,我们做了分块方案优化。水平方向调整分格方案,让板缝分割线和轴线建立定位关系,适当调整挂板的宽度尺寸;标高方向增设竖向龙骨,预制外墙挂板与钢龙骨或混凝土结构梁连接。调整后的立面细部如图9所示,较好地满足了建筑设计要求。

▲ 图9 中建技术中心试验楼细部
外墙挂板连接构造设计
参考《金属与石材幕墙工程技术规范》的设计方法进行预制混凝土挂板的龙骨系统设计,主龙骨受力以拉弯杆件设计,上下节点均按铰接连接设计,下端节点做成上下可滑移节点构造。挂板与龙骨、龙骨与主体结构的连接构造详见图10,11。

▲ 图10 外挂板与龙骨连接构造做法




▲ 图11 龙骨与主体结构连接构造做法
三维协同设计技术在预制建筑构件深化设计中的应用
鄂尔多斯市体育中心体育场
本项目位于内蒙古自治区鄂尔多斯市,主体采用钢筋混凝土框架-剪力墙结构体系,看台坐席数6万座,分低区、高区看台,所有看台采用清水混凝土预制看台系统(图12)。

▲ 图12 鄂尔多斯市体育中心-体育场效果图
项目背景
此项目工期短、难度大,从设计、施工到构件加工、现场装配都有难度,再加上设计院前期提供的图纸不是很完善,只有体育场整体模型(图13),尤其是二层看台现浇阶梯梁平面布置复杂,平面投影呈折线形,设计院结构专业没有定位图,提供的计算模型导出图(图14)可以作为参考,但不能作为指导深化设计的依据,所以此现浇阶梯型折线梁的空间定位设计是项目进展的关键节点。如此,导致预制看台的平面分块无法确定,与之相关联的工作不能往前推进,给深化设计带来很大阻碍。

▲ 图13 鄂尔多斯体育场整体模型

▲ 图14 结构计算模型导出图
结构模型校核
现浇阶梯型折线梁空间定位设计最好的解决方案是采用三维协同设计,通过建立三维模型复核结构尺寸,准确定位折线梁的空间位置,之后请设计院的设计师复核确认,作为今后设计、施工的重要依据。此步工作的重要性在于能够推动整个项目的进展,减轻深化设计的经济成本和工期压力。
在深化设计前,我院分别建立现浇主体结构模型和预制看台模型,将两个建好的模型进行组合套图,查找预制看台系统和现浇主体结构有无相碰或不交圈的部位,该方法对于出入口等空间结构复杂的位置检查非常必要(图15~20)。

▲ 图15 现浇主体结构模型

▲ 图16 预制看台模型

▲ 图17现浇主体结构和预制看台组合模型

▲ 图18 预制看台系统模型校核

▲ 图19 预制看台出入口模型分析

▲ 图20 预制看台安装现场图
中粮万科长阳半岛5#地块
本项目位于北京市长阳镇,主体地下部分采用现浇钢筋混凝土-剪力墙结构,地上部分采用预制混凝土装配整体式剪力墙结构。产业化楼建筑面积约9万m2,最高楼栋建筑地上11层,建筑高度为31.9m。
项目概况
本项目是住宅产业化项目,工业化预制率达到了61%,预制构件种类较多,有外墙、内墙、阳台、叠合、挑板、防火隔板、外挂板、楼梯、梯梁、女儿墙共10种。
建筑设计采用了业内较为先进的设计理念,如24小时新风负压系统、横向排烟系统等内装部品化集成技术、SI内装分离与线管集成技术等,这些设计手法对于深化设计而言将增加更多的工作量和难度,将这些复杂繁多的预留、预埋在深化设计阶段完成是非常困难的事情,并且检验设计图纸是否准确也是一项重要工作。
我们采用三维协同设计,首先建立每块预制构件的三维模型,然后将所有预制构件组建标准单元或典型楼栋的三维模型,这个过程相当于在虚拟环境下拼装建筑,用模型检查建筑构造和构建外形是否正确。
该项目深化设计的最大阻碍在于基础条件图纸不能在深化设计阶段提供,这样后期设计变更较多,加大了深化设计的工作量,也给图纸的准确性带来隐患,我们只能通过修改三维模型消化改动量,再由三维变为平面三视图完成变更。
深化设计
依据该项目的特点,在做产业化预制构件深化设计时先做施工图集成设计研究,再做加工图拆分详图设计,将所有预留预埋、构件分块等内容在施工图中集中体现,综合考虑构件连接处的细部构造,再将每块构件从整体装配图中拆分出来。
(1)施工图集成设计的最大问题是水电、预留、洞口等集成,任何一项都要保证不能有交叉、碰撞、漏项的情况发生,并且每块构件都有自己的编号,对于它的空间位置关系及与相邻板块的连接构造都必须十分清晰,需要根据平面布置图(图21)建立三维透视图校验(图22),对于楼梯间部位及室内典型部位也需要分别采用局部透视图校验(图23,24)。

▲ 图21 中粮万科长阳半岛住宅楼平面布置图

▲ 图22 中粮万图科长阳半岛住宅楼三维透视图

▲ 图23 中粮万图科长阳半岛住宅楼楼梯间部位透视图

▲ 图24 中粮万图科长阳半岛住宅楼室内局部透视图
(2)产业化预制构件加工图设计不但要求绘图人员能够准确绘制出构件外形,还要了解每种类型构件的加工成型工艺和预制构件装配方案,将加工技术要求在构件加工图中整体表达出来,设计深度必须满足构件现场生产要求,图25~28是几种典型预制构件三维模型。

▲ 图25 中粮万图科长阳半岛住宅楼复合保温外墙板

▲ 图26 中粮万图科长阳半岛住宅楼预制内墙板

▲ 图27 中粮万图科长阳半岛住宅楼预制叠合阳台

▲ 图28 中粮万图科长阳半岛住宅楼预制楼板叠合底板
结语
预制建筑深化设计工作是保证项目实施的关键环节,该工作不但涉及建筑方案研究、各专业施工图配合等,还需要和预制公司及施工安装单位密切配合,充分研究项目实施过程中的细节问题,做到预制建筑实施的技术经济性统一。
深化设计人员应具备建筑和结构专业的系统培训,熟练应用各种绘图软件及三维协同设计等工具,掌握构件预制和施工安装的基本要领并取得预制建筑工程实施经验,才能使深化设计工作有序开展,从而保证预制项目的实施质量。
预制建筑深化设计工作可由精通预制技术的专业公司完成,设计成果需得到工程设计单位的审核确认后方可实施。
主要 作者简介
祁成财,北京预制建筑工程研究院有限公司设计部长。
蒋勤俭,北京预制建筑工程研究院院长,北京榆构有限公司总工程师。兼任住建部建筑制品和构配件标准化技术委员会委员、北京市住宅产业化专家委员会委员、中国混凝土与水泥制品协会副秘书长及预制构件分会理事长等。主持北京市科委重大科技专项课题《住宅工业化关键技术研究》、国家十二五科技支撑项目《新型预制装配式建筑集成技术研究与示范》等。
注:本文原文刊登于《建筑技艺》2014年06期“装配式建筑技术”专题,作者:祁成财,蒋勤俭,孙凤翔,刘鑫。
来源:《建筑技艺》杂志(ID:ATJournal )
更多资讯请关注国家建筑标准设计订阅号
